- Главная
- Пластины твердосплавные
- Пластины токарные
- Пластины для внутреннего и наружного точения
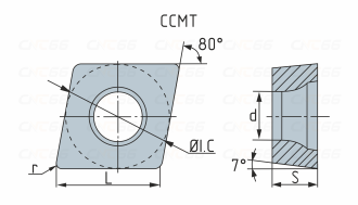
- CCMT
- CCMT09T308-PM4-4025 Пластина токарная
CCMT09T308-PM4-4025 Пластина токарная
-
Длина режущей кромки (L), мм:9.7
-
Радиус при вершине (r), мм:0.8
-
Форма пластины:C (ромб 80°)
-
Рабочая толщина пластины (S), мм:3.97
-
Диаметр вписанной окружности (ØiC), мм:9.525
-
Диаметр отверстия (d), мм:4.4
-
Сплав:4025
-
Обозначение СМП по ISO:CCMT
-
Вид обработки:Получистовая
-
Задний угол пластины:C (7°)
-
Обрабатываемый материал:P
Сменный режущий инструмент, используемый в токарных станках для выполнения различных операций. Устанавливается на токарный резец и обеспечивает высокую точность и производительность процесса обработки.
• Скорость резания можно рассчитать по формуле: Vc=(π*Dc*n)/1000
где:
π – константа, равная 3,14;
D – диаметр заготовки, мм;
n – частота вращения заготовки, об/мин.
Курьерская доставка осуществляется на следующий день с 10.00 до 21.00, после оформления заказа, если товар есть в наличии. Заказ на сумму свыше 50 000 рублей доставляется бесплатно.
Стоимость бесплатной доставки раcсчитывается от суммы заказа с учтенной скидкой. В случае если сумма заказа после применения скидки менее 50 000р, осуществляется платная доставка.
При сумме заказа менее 50 000 рублей стоимость доставки составляет от 500 рублей.
Мы бесплатно доставим товар до терминалов транспортных компаний Деловые линии, КИТ, ПЭК, СДЭК, ТК Север, Луч, Энергия и др. Доставка от терминала выбранной транспортной компании до адреса, оплачивается покупателем.
Самовывоз
Удобный, бесплатный и быстрый способ получения заказа.
Адрес: 623706 Свердловская область, г. Березовский, ул. Ленина 2ж/1
Работаем только с юридическими лицами!
- На главную
-
Категории
-
Пластины твердосплавные
-
Пластины токарные
-
Пластины для внутреннего и наружного точения
-
Пластины резьбовые
-
Пластины резьбовые ISO
-
Пластины резьбовые трапецеидального профиля, угол 30 град.
-
Пластины резьбовые неполного профиля, угол 55 или 60 град.
-
Пластины резьбовые для нарезания трубной резьбы Whitworth, правые
-
Пластины резьбовые NPT (дюймовая коническая резьба c углом профиля 60 град. и конус 1:16)
-
Пластины резьбовые BSPT (Британский стандарт) полного профиля, угол 55 град.
-
Пластины резьбовые треугольного закругленного профиля
-
Пластины резьбовые UN (Американский стандарт) полного профиля, угол 60 град.
- Панцирная трубная резьба Pg 80 град.
- Упорная резьба SAGE 30 град.
- Круглая резьба RD 30 градусов
-
-
Пластины отрезные и канавочные
-
-
Пластины фрезерные
-
APKT
-
APMT
- JDMT
-
LNMU
-
RPMT
-
TPKN
- SNMX
- SNGX
-
SEET
-
AOKT
-
SDMT
-
RPMW
-
RCKT
-
RDMW
-
SDMW
-
SEEN
-
SEMT
-
SPHX
-
APHX
-
AOMT
-
APGT
-
RDMT
-
SEHT
-
MPHT
-
SPKN
-
ONHU
-
PNEG
-
XPHT
-
RDKW
-
XSEQ
-
ZOHX
-
SEKN
-
LNKT
-
OFKT
-
LNGX
-
LOGU
-
ODMT
-
ZNMU
- WNMU
- JOMW
- PNUA
- RNUM
- JDMW
- BLMP
- ZPCW
- XCET
- SDCW
- ZDCW
- HNMX
- XOMT
- WNHU
- GFN
- R390
- BNM
- ANGX
- QPMT
- SPGX
- SPMT
- ANKX
- LNHU
- CNEG
- PNMA
-
-
Пластины для сверл
-
Лезвия для резьбофрез
-
Пластины со вставками PCBN
- Пластины для червячного зуба 40°
-
-
Фрезы
-
Метчики
-
Сверла
-
Ленточные пилы
-
Новое поступление (NEW!)
-
Державки токарные
-
Державки расточные
-
S...-DCLNR/S...-DCLNL
-
S...-DWLNR/S...-DWLNL
-
S...-MCKNR/S...-MCKNL
-
S...-MCLNR/S...-MCLNL
-
S...-MDQNR/S...-MDQNL
-
S...-MDUNR/S...-MDUNL
-
S...-MSKNR/S-...MSKNL
-
S...-MTQNR/S...-MTQNL
-
S...-MTUNR/S...-MTUNL
-
S...-MTFNR/S...-MTFNL
-
S...-MTWNR/S...-MTWNL
-
S...-MVQNR/S-...MVQNL
-
S...-MVWNR/S...-MVWNL
-
S...-MVXNR/S...-MVXNL
-
S...-MWLNR/S...-MWLNL
-
S...-PCLNR/S...-PCLNL
-
S...-PDSNR/S...-PDSNL
-
S...-PDUNR/S...-PDUNL
-
S...-PSKNR/S...-PSKNL
-
S...-PWLNR/S...-PWLNL
-
S...-SCKCR/S...-SCKCL
-
S...-SCLCR/S...-SCLCL
-
S...-SCLPR/S...-SCLPL
-
S...-SDUCR/S...-SDUCL
-
S...-SDZCR/S...-SDZCL
-
S...-SSSCR/S...-SSSCL
-
S...-STFCR/S-...STFCL
-
S...-STUCR/S-...STUCL
-
S...-SVUCR/S-...SVUCL
- S...-SVZCR/S...-SVZCL
- S...-SVJCR/S-...SVJCL
- S...-MVUNR/ S-...MVUNL
- S...-SDQCR /S...-SDQCL
-
-
Державки проходные
-
CCLNR/CCLNL
-
CSDNN
-
CSKNR/CSKNL
-
CTJNR/CTJNL
-
DCBNR/DCBNL
-
DCKNR/DCKNL
-
DCLNR/DCLNL
-
DCMNN
-
DDJNR/DDJNL
-
DDPNN
-
DSSNR/DSSNL
-
DDQNR/DDQNL
-
DSBNR/DSBNL
-
DSDNN
-
DSKNR/DSKNL
-
DTFNR/DTFNL
-
DTGNR/DTGNL
-
DVJNR/DVJNL
-
DVVNN
-
DWLNR/DWLNL
-
ECLNR/ECLNL
-
EDJNR/EDJNL
-
MCBNR/MCBNL
-
MCKNR/MCKNL
-
MCLNR/MCLNL
-
MCMNN
-
MDJNR/MDJNL
-
MDPNN
-
MDQNR/MDQNL
-
MSBNR/MSBNL
-
MSSNR/MSSNL
-
MTENN
-
MTGNR/MTGNL
-
MTJNR/MTJNL
-
MTQNR/MTQNL
-
MVJNR/MVJNL
-
MVQNR/MVQNL
-
MVUNR/MVUNL
-
MVVNN
-
MWLNR/MWLNL
-
PWLNR/PWLNL
-
PCLNR/PCLNL
-
PDJNR/PDJNL
-
PRACR/PRACL
-
PRDCN
-
PCBNR/PCBNL
-
PRGCR/PRGCL
-
PSBNR/PSBNL
-
PSDNN
-
PSSNR/PSSNL
-
PTGNR/PTGNL
-
SCLCR/SCLCL
-
SDJCR/SDJCL
-
SDNCN
-
SRACR/SRACL
-
SRDCN
-
SSDCN
-
SSSCR/SSSCL
-
STFCR/STFCL
-
SVACR/SVACL
-
SVJBR/SVJBL
-
SVJCR/SVJCL
-
SVVBN
-
SVVCN
-
WTENN
-
WTJNR/WTJNL
-
WWLNR/WWLNL
-
PDNNR/PDNNL
-
SVHBR/SVHBL
-
PTFNR/PTFNL
-
SCACR/SCACL
-
SSBCR/SSBCL
-
SRGCR/SRGCL
-
STGCR/STGCL
-
SVABR/SVABL
- CKJNR/CKJNL
-
-
Державки резьбовые
-
Державки отрезные, канавочные
-
Держатели отрезного лезвия
- Лезвия отрезные
-
Мини-резцы твердосплавные
-
-
Оснастка для фрезерных станков
-
Фрезерные патроны
-
BT
- BT-ER (для цанг ER)
- BT-FMB (для насадных фрез)
-
BT-SCA (для дисковых фрез)
- BT-D (тестовые оправки)
- BT-MTA (конус Морзе с лапкой)
- BT-MTB (конус Морзе с резьбовым отверстием)
- BT-DC (высокоскоростные патроны для цанг DC)
- BT-APU
- BT-SC (для цилиндрических цанг SC)
- BT-GT (для резьбовых цанг GT12/24/42)
- BT-TER (патроны с осевой компенсацией по длине для цанг ER)
- BT-OZ(EOC) (для силовых цанг OZ)
- BT-PHC (гидропластовые патроны)
- BT-WFE
- BT-SLN (Weldon)
-
Конус Морзе MTA/MTB
-
HSK
-
Цилиндрический хвостовик
-
NT
-
SK
-
SK-FMB (для насадных фрез)
-
SK-SLN (Weldon)
-
SK-TER (патроны с осевой компенсацией по длине для цанг ER)
-
SK-SC (для цилиндрических цанг SC)
-
SK-MTB (конус Морзе с резьбовым отверстием)
-
SK-MTA (конус Морзе с лапкой)
-
SK-ER (для цанг ER)
-
SK-GT (для резьбовых цанг GT12/24/42)
-
SK-OZ(EOC) (для силовых цанг OZ)
-
SK-APU (сверлильные быстрозажимные патроны)
-
SK-PHC (гидропластовые патроны)
-
- SL
- BBT
- BT-SF
-
BT
-
Прихваты, прижимы, упоры
-
Боковые регулируемые высокопрофильные прижимы
-
Боковые регулируемые низкопрофильные прижимы
-
U-образные прижимы
-
Прижимы с цилиндрическим хвостовиком
-
Низкопрофильные установочные позиционные блоки
-
Установочные позиционные блоки
-
Позиционные регулируемые упоры
-
Многофункциональные V-блоки вертикальные
-
Многофункциональные V-блоки правые
-
Многофункциональные V-блоки левые
-
Домкраты с магнитным основанием
-
Домкраты с многоцелевой опорой
-
Позиционные плиты-адаптеры
-
Установочные цилиндрические опоры
-
Цилиндрические опоры с уступом
-
-
Цанги
-
Штревели
-
3D-тестеры и щупы
-
Тиски станочные
-
Аксессуары и запчасти для тисков
-
Силовые высокоточные VQC
-
Multitasking
-
Трехкулачковые NBK
-
Гидравлические DCV
-
Модульные двойные ZQ83
-
С регулируемым усилием зажима HPAC
-
Самоцентрирующиеся SC-I
-
Модульные GT
-
Глобусные HHY
-
Лекальные QGG
-
Лекальные QKG
-
Модульные составные ZQ84
-
Гидравлические CHV
-
Самоцентрирующиеся двойные SMC
- Гидравлические YQ
- Гидравлические VSP
- Поворотные QM
-
-
Кромкоискатели
-
Центроискатели
-
Гайки для цанг
-
Ключи гаечные
-
Приспособления для оправок
-
Наборы прижимов
-
Магнитные захваты
-
Поворотные столы
-
Защитные вставки
- Приспособления для очистки конуса шпинделя
- Устройство привязки инструмента по оси Z
- Делительные головки
- Расточные наборы
- Столы электромагнитные
- Столы вакуумные
-
-
Оснастка для токарных станков
-
Кулачки токарные
- Инструментальные блоки BOT
-
Токарные патроны
-
Центры токарные вращающиеся
- Центры вращающиеся
- Центры вращающиеся усиленные M11
- Центры вращающиеся облегченные
- Центры вращающиеся со сменными вставками
- Центры вращающиеся высокоскоростные
- Центры вращающиеся с твердосплавной вставкой
- Центры вращающиеся с удлиненной вершиной
- Центры вращающиеся усиленные
- Центры вращающиеся высокоточные
- Центры вращающиеся грибковые
-
Держатели осевого инструмента
-
Переходные втулки
-
Приспособления для расточки кулачков
-
Инструментальные блоки BMT
-
Центры токарные упорные
-
Сухари для токарных патронов
-
Инструментальные блоки VDI
-
Патроны цанговые
-
Цанги токарные
-
-
Измерительный инструмент
-
Станки
-
Ленточнопильные станки по металлу
-
Лазерные граверы (маркировщики) по металлу
-
Токарные станки
-
Фрезерные станки
-
Заточные станки
-
Резьбонарезные манипуляторы
-
Электроэрозионные станки
-
-
Мерч CNC66
-
Проволока, СОЖ, запчасти для электроэрозионных станков
-
Промышленная мебель
-
Запасные части для державок, резцов и фрез
-
Развертки
-
Упаковка
-
Зенковки
-
Плашки
-
Инструмент для снятия заусенцев
- Ленточное полотно по металлу
-
Металлорежущий инструмент, оснастка и станки
Корзина пуста
Мы используем файлы cookie для улучшения работы сайта и персонализации. Продолжая использовать сайт, вы соглашаетесь на сбор, обработку cookie-файлов и пользовательских данных с помощью Яндекс.Метрика, в соответствии с нашей Политикой конфиденциальности.
