Закрыть
Обрабатываемый материал
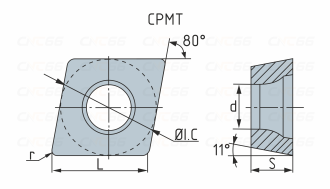
CPMT

Твердосплавные токарные пластины CPMT применяются как для растачивания (первый выбор), так и для наружного точения..
Сортировать по:
Фильтр
| Наименование | (L), мм | (r), мм | (S), мм | (ØiC), мм | Вид обработки | Обрабатываемый материал | Бренд | Цена | Купить | |
| CPMT080204-DX536 |
7.94
|
0.4
|
2.38
|
7.94
|
Получистовая
|
P
M
K
|
Wolverine | 341 ₽ |
|
|---|
