- Главная
- Оснастка для фрезерных станков
- Прихваты, прижимы, упоры
- Позиционные регулируемые упоры
Закрыть
Категории
Позиционные регулируемые упоры
Цена
₽
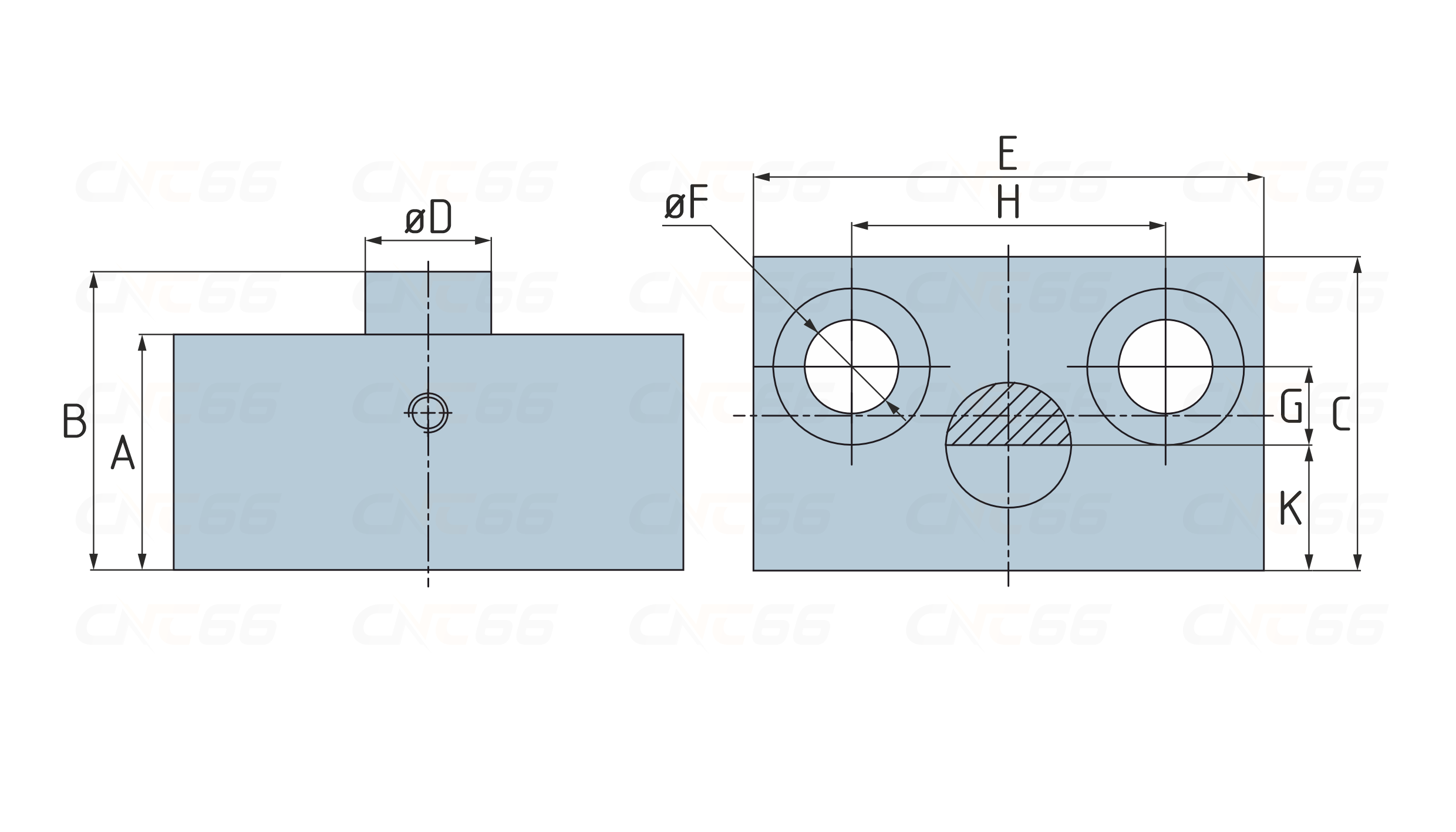
C, мм
F, мм
K, мм
H, мм
Е, мм
Позиционные регулируемые упоры

Сортировать по:
Фильтр
| Наименование | G, мм | C, мм | D, мм | A, мм | F, мм | B, мм | Е, мм | Бренд | Цена | Купить |
| CO1.7-1240 |
10
|
40
|
16
|
30
|
12
|
38
|
65
|
CNC66 | 5 500 ₽ |
|
|---|---|---|---|---|---|---|---|---|---|---|
| CO1.7-1250 |
10
|
40
|
16
|
30
|
12
|
38
|
75
|
CNC66 | 5 610 ₽ |
|
| CO1.7-1650 |
10
|
45
|
16
|
30
|
16
|
38
|
80
|
CNC66 | 5 720 ₽ |
|
